工作時間 周一至周六 8:00-17:00
JCH-3靜態合閘繼電器在輸配電線中作為三相一次自動重合閘之用,與繼電保護裝置相配合 , 將被保護斷開的斷路器自動重合一次,若為瞬時故障,重合閘后經15~25s時間自動準備好下一次動作,若為永久性故障,重合閘后保護再次將斷路器斷開,不再合閘。
JCH-3靜態合閘繼電器概述
JCH-3靜態合閘繼電器在輸配電線中作為三相一次自動重合閘之用,與繼電保護裝置相配合 , 將被保護斷開的斷路器自動重合一次,若為瞬時故障,重合閘后經15~25s時間自動準備好下一次動作,若為永久性故障,重合閘后保護再次將斷路器斷開,不再合閘。
JCH-3靜態合閘繼電器功能特點
1、有"電源"、"充電"、"充動"三個發光二極管,分別監視工作電源、充電延時回路、啟動回路。
2、繼電器啟動延時時間用數字拔碼開關整定.整定范圍0.1~9.9s,級差0.1s,整定及變更時間方便,無鐘表機構停走弊病。
3、完善的保護措施:電源極性接反、啟動、放電回路誤接入正電源均不會損壞繼電器。
4、高可靠性:采用進口集成電路及高品質元器件;生產工藝精良,采用雙面焊接,功耗小,繼電器內部溫升低,可以放心使用。
5、引腳及外圍電路與DH-1、DH-2、DH-3、DCH-1型等重合閘繼電器一致:可直接替代DH-1、DH-2、DH-3、DCH-1型等重合閘繼電器。
6、合閘電流寬范圍通用: 0.25~2.5A.適合各種合閘接觸器。
7、調試筒單:減輕繼電保護人員負擔。
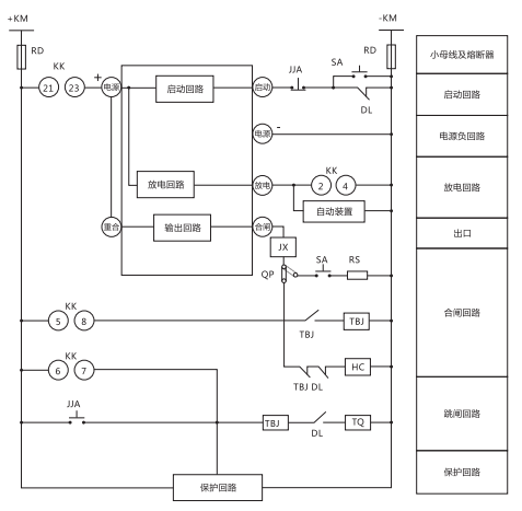
JCH-3靜態合閘繼電器型號結構及工作原理
1、型號命名的含義

2、工作原理
繼電器由穩壓、延時、計數、執行及保持部分組成(見圖1)。裝有三只發光二極管,監視電源、充電和啟動是否完好,正常時二只發光二極管亮,啟動發光二極管不亮。當加入電源或自動重合間后經15-25s充電延時部分充好電,準備好工作。一旦斷路器故障跳閘 ,啟動回路有信號輸入,經整定延時后,有信號輸出,因充電延時部分已充好電,所以執行部分工作,即發出合閘脈沖并且保持,直到斷路器合閘后,合閘回路的斷路器輔助觸點斷開,解除自保持。在此過程中,延時部分復位清零。如為瞬時性故障,經15-25s后充電延時部分再次充好電,準備好下一次動作,如為永久性故障,自動重合閘后,保護裝置將斷路器再次跳閘,啟動回路又有信號輸入, 但由于充電延時部分還未充好電,執行及保持部分不工作,只要啟動信號存在,充電延時部分就一直處于放電狀態,充不上電,保證可靠不重合第二次。如要閉鎖合閘 ,例如手動分閘或低周減載動作,接通放電回路,這時充電延時回路和啟動延時回路被閉鎖,就能可靠閉鎖重合閘不工作。
3、本繼電器外引腳功能

JCH-3靜態合閘繼電器技術指標及注意事項
1、合閘電流: 0.25A~2.5A范圍內通用,80%的最小合閘電流(0.2A)時合閘回路應能自保持。合閘回路允許2倍額定電流接通
10分鐘。
2、啟動延時范圍:0.1~9.9s,級差0.1s。
3、延時精度: 0.1~9.9s時,誤差≤±(0.1%+15ms)。
4、再次重合閘的充電時間: 15~25s(80%-110%額定電壓內) ,如應用于彈黃儲能操作機構斷路器,可提供25~35s的產品,訂貨時需注明。
5、合閘脈沖寬度: 100~120ms。
6、功率消耗:
a、工作電源回路見下表

b、啟動回路:合閘電流為2.5A時,不大于3W。
JCH-3靜態合閘繼電器使用指南
1、繼電器應用中應注意以下事項:
a、重合閘試驗燈,因為電流大小,重合閘出口部分無法自保持,所以應在試驗燈上并聯一個電阻,使回路電流大于0.25A。下
列電阻規格作為參考:

b、低周減載裝置要閉鎖重合閘,只需把低周出口接點并接在"放電"端與負極間。
c、放電回路對負電源間絕緣必須良好。
2、檢驗項目:
a、測最短可靠動作充電時間,應在15~25s間。
b、測動作延時,可按圖2接線試驗。每動作一次應斷開一下合閘回路,以解除自保持。
c、部分檢驗條例要做的各種連同斷路器的傳動試驗 。
JCH-3靜態合閘繼電器接線圖

JCH-3靜態合閘繼電器檢驗方法說明
現場若只有一組直流電源, 一個秒表(可空接點啟動,空接點停止) ,則測試接線如下圖:

測試步驟
1、如圖接線,著SB1沒有可直接接到重合端子上。(復位時拆掉該端子接線即可)若設有SB2 ,則可以不接,在測試放電閉縮時用一短接線將其短接即可。
2、調節V+、 V-使電壓表指示為重合閘繼電器額定電壓值。
3、先將RP調到最大,短接重合、合閘端子,再調節RP使安培表的讀數為用戶需要的合閘電流值(0.25~2.5A)。
4、去掉重合和合閘聞之間的短接線。
5、充電燈完以后,合上開關K,秒表啟動計時,時間到,重合閘常開觸點停止秒表計時,秒表的讀數為重合閘的延時時間,安培表讀數為重合閘保持電流。
6、技下SB1斷開合聞保持電流,打開開關K,同時用手表開始計時,從K打開到充電燈克的這段時間為重合閘充電時間。
7、按下SB2 ,充電燈滅,重合閘不能重合;放開SB2同時開始手表計時,從SB2放開到充電燈亮的這段時間應符合重合閘充電時間的要求。
8、若合閘電流不準,則可在重合閘合閘保持的狀態下,調節RP使合閘電流為用戶要求的值,然后再斷開保持(按SB1) ,待充電燈高后,再次重合,看能否保持,若能保持說明合閘電流符合要求。
注意:在整個測試過程中V+、V-不斷電。
JCH-3靜態合閘繼電器外形結構及開孔尺寸



礦山冶金
化工、化肥、水泥、紡織
能源、環保
機械電子
火電、水電
造紙、制糖、制藥
市政基礎建設
原料、鋼鐵
上一篇:JCH-2靜態合閘繼電器
下一篇:JPB-A數字式頻率繼電器

