工作時間 周一至周六 8:00-17:00
JC-7/21沖擊繼電器采用集成電路原理構成,可用于直流操作的繼電保護及控制回路中,作為集中信號的主要元件。
JC-7/21沖擊繼電器應用范圍
JC-7/21沖擊繼電器采用集成電路原理構成,可用于直流操作的繼電保護及控制回路中,作為集中信號的主要元件。
繼電器的功能見表:

JC-7/11、 JC-7/12為普通沖擊繼電器。其功能為; a.電流突增動作; b.電流突減返回; c.手動復歸。
JC-7/21、 JC-7/22在具有JC-7/11、 JC-7/12功能的基礎上,還增加了延時功能即:
a.將端子⑥、⑧短接可實現動作后延時自動復歸;
b.將端子④、⑥短接可實現繼電器延時動作,延時過程中若信號已消失繼電器將結束延時,不再動作。
·繼電器的主要特點是:抗紋波干流能力強,燈絲的冷態電阻與熱態電阻差引起的電流突減不會使繼電器誤返回 。
JC-7/21沖擊繼電器主要技術參數
·額定直流輔助電壓;220V、110V、48V。
·動作及返回電流見表。
·最大長期穩定電流見表。
·延長時間: 2-lOs,連續可調。
·觸點容量:在電壓不超過250V,電流不超過5A,時間常數為5±0.75ms的直流有感負荷電路中,產品輸出觸點的斷開容量為50W。輸出觸點在上述規定的負荷條件下,產品能可靠動作及返回5x104次。輸出觸點長期允許接通電流為5A。
·介質強度:產品各導電端子連在一起 ,對外露的非帶電金屬部分或外殼之間,能承受2000V(有效值)50Hz的交流電壓歷時1分鐘試驗而無絕緣擊穿或閃絡現象。
JC-7/21沖擊繼電器端子接線圖

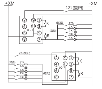
JC-7/21沖擊繼電器電器典型接線圖

JC-7/21沖擊繼電器外形及開孔尺寸


礦山冶金
化工、化肥、水泥、紡織
能源、環保
機械電子
火電、水電
造紙、制糖、制藥
市政基礎建設
原料、鋼鐵
上一篇:JC-7/12沖擊繼電器
下一篇:JC-7/22沖擊繼電器

